万能期望值函数是使用 定义输出信号及local信号与输入信号及各种参数关系的期望值表达式 判断给定信号是否满足软件需求的定义。
在测试用例中使用该函数,导入时,系统会自动生成针对此测试用例的评估函数,辅助进行快速评估。
函数语法:signal=expExpress(logicExpression,duration,offset)
Signal指模型中的输出或者local信号;logicExpression指signal要满足的逻辑表达式,表达式中可以包含matlab内部函数;offset指偏移量,duration指持续时间。
使用此函数时分为两种情况:
- 面对简单模型时:例如需要在三个输入中选择一个最小值进行输出,根据这个需求建立了一个简单模型,在测试用例中根据需求写了有关的逻辑表达式。


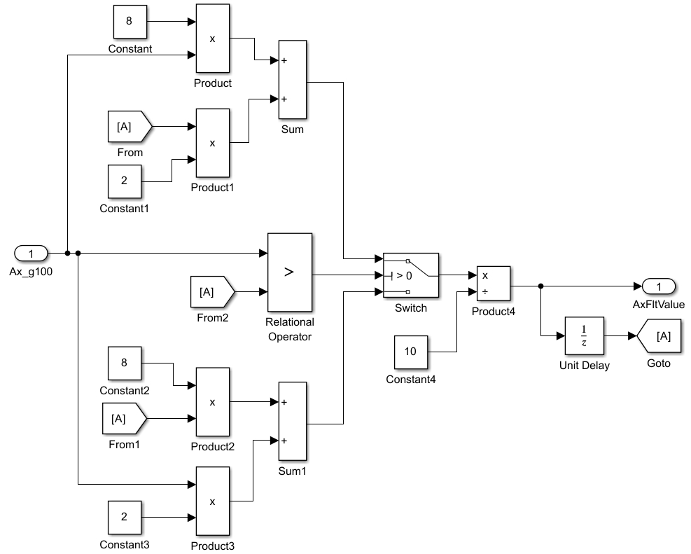
- 面对复杂模型时,一个简单的表达式无法完成,因此需要新建一个函数文件,此文件必须跟评估函数文件放置在同一目录。

这是根据需求写的函数。
Calc_axFlt是函数名,在测试用例中调用此函数时,input为输入信号AX_g100,unitdelay_init是模块参变量,在测试用例Excel中需要给传递的参变量前加Parameters.,MQT的评估框架函数调用评估函数时通过Parameter结构变量传递所有参数值,res是输出信号AxFltValue。

在测试用例中,模块参数的初始值为0,第一个测试用例设置模块参数为1,第二个没有设置,则为默认初始值0。在Action列使用万能期望值函数,在表达式中引用此函数。

使用评估函数前必须先进行评估函数设置。
为了准确评估,尽量以当前测试组作为测试范围层级。
函数路径是评估函数的保存路径,在当前测试组目录下选择或新建评估函数文件夹,后续生成的评估函数都在此目录下。
筛选条件是定义函数路径下作为评估函数的文件名过滤条件,如Ass*.m,则函数路径下所有以Ass开头的m文件都作为评估函数。
默认范围选择全局。
信号源根据当前仿真模式选择MiL(EC)。

完成设置后导入测试用例。
通过路径导航菜单下的测试组路径可以快速找到评估函数所在路径,点击评估函数文件夹,可以看到自动生成的评估函数文件。需求函数文件必须跟评估函数在同一文件夹中。
对当前用例进行仿真和评估,在评估函数栏会显示通过或错误,具体可以生成测试用例报告后查看。

创建组合测试用例也能使用评估函数。
在测试用例-新建/修改组合配置菜单下
cr_config.TS(1).Assessment文件中写入评估函数。

创建组合测试用例,评估函数出现在action中。

同样的,先设置评估函数,在当前测试组的测试范围层级下,使用评估函数,选择函数路径,并在当前测试组的目录下新建一个评估函数文件夹,作为评估函数路径。
筛选条件为Ass*.m,默认范围为global,信号源选MiL(EC)。
步骤与之前一样,导入测试用例后对当前用例仿真并进行评估。
通过与否在评估函数栏和测试用例报告中查看。